Here are the build notes for my EuroRack 6HP MCU Pots and Jacks PCB designed to be used with my EuroRack 6HP MCU Experimenter Module.

Warning! I strongly recommend using old or second hand equipment for your experiments. I am not responsible for any damage to expensive instruments!
If you are new to electronics, see the Getting Started pages.
Bill of Materials

- EuroRack 6HP MCU Pots and Jacks PCB (GitHub link below)
- Several 10KΩ or 100KΩ potentiometers, PCB mounted, common “RK09” footprint, as required.
- Several “Thonkiconn” PCB mounted mono jacks as required.
- Pin headers – if mounting into PH5 headers on the IO board then 9.5mm pin headers are required.
- Jumper wires or long pin headers for inter-board connections (see below).
- M2 nuts, mounting posts, screws.
Naturally the exact list of components will depend on the eventual application.
See the application and usage notes later in this post for more details, but if header pins are used for the inter-board connections, then it is recommended that PH5 headers and 9.5mm header pins are used to keep connections as slim as possible. But that will largely depend on the maximum height of the components on the IO board.

Build Steps
This should be a relatively straightforward build. The suggested order of assembly being:
- Jack sockets.
- Potentiometers.
- Header pins – note these will be on the underside of the board and should not be confused with the intra-board connecting pads (see usage notes).
- IMPORTANT: The VCC/GND link will have to be joining wires NOT header pins as it doesn’t line up perfectly.
- Joining wires – see usage section.
Assuming pin headers are used for the inter-board links, here is a photo showing the main inter-board pin headers fixed to the underside of the board.

When it comes to the inter-board VCC/GND link, it isn’t possible to have a direct jumper connection. Here are a couple of options:
- Use flexible jumper wires soldered to both boards (using longer wires is recommended – see later).
- Use extended pin-headers, bent over to line up with the VCC/GND connections on the IO board.

Here is how the bend the pins – some experimenting will be required to get it exact.


Here is the final effect I’m aiming for:

IO Board Connections
The following shows how the IO board should be prepared for use with the Pots and Jacks board if using pin headers for the inter-board connections.
List of components required:
- 3x 2 pin PH5 header sockets.
- 1x 4 pin PH5 header socket.
- 1x 2 pin PH3.5 header socket or jumper wires.
This photo shows the locations of the (PH5) main jumper header sockets.

The VCC/GND link has to connect to the central set of header links. This can be done with flexible jumper wires or another option is to use extended pin headers on the Pots and Jacks board into a pin header socket on the IO board.
I’m using a 2-pin PH3.5 header socket to give me more clearance, which is a bit fiddly to solder on if the IO and MCU board connecting headers are already in place.

Here are a few photos showing how I’ve bent the extended header pins on the Pots and Jacks board to fit the IO board.

The biggest issue is ensuring that the pins cannot be shorted on the potentiometer or jack in position RV3 or IN4.
Testing
I recommend performing the general tests described here: PCBs.
PCB Errata
There are the following issues with this board:
- The IN jack connections are labelled the wrong way round. IN4 should be at the top and IN1 at the bottom. The jacks themselves are labelled correctly.
In an ideal world, a better solution to the VCC/GND connection would be found, but joining wires will have to do for now.
Find it on GitHub here alongside a template that can be used to develop and document new designs.

Applications and Usage Notes
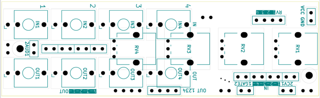
Potentiometers or Jacks
As is hopefully obvious from the layout of the PCB, not all 8 jacks can be used with all 4 potentiometers. Jack positions 3 and 4 overlap with RV3 and RV4.
Hopefully this will still allow for plenty of flexibility in the configuration.
Note that care must be taken that RV3 and IN4 do not connect to the VCC/GND link wires or headers when connected to the IO board.
It is assumed in the labelling that INPUT jacks will be on the left and OUTPUT jacks on the right, but this is just a suggested convention and only really matters when finding the intra-board link points for the jacks.
Links to IO Board
As already mentioned there are five sets of header pins designed to (mostly) line up and plug into the EuroRack 6HP MCU Experimenter Module IO board. These are highlighted below on the top and underside views of the PCB. Recall that they should be fixed to the underside of the board.

The four sets of headers should match the IO board exactly hence could be pin headers and sockets or even directly soldered pin header links.
As already mentioned, the VCC/GND connection does not match. One strategy using extended pin headers has already been described.
The alternative is to use jumper wire links. In this case it is recommended that longer wires are used, especially if header pins and sockets are still used for the other connections. This will allow the board to still be largely separated whilst still attached via VCC/GND.
Intra-board Links
There are intra-board links for the jacks and potentiometers as shown below (in yellow).

Note: The silkscreen “IN 1-2-3-4-” is the wrong way round. The diagram above has the correct ordering of the IN jack connectors.
These would be mapped across to some of the inter-board link connecting pads (in blue). Typical links might be:
| Intra Board Link (yellow) | Inter Board Link (blue) | Usage Notes |
| OUTPUTS | Audio | OUTPUT jacks can be used for PWM audio-type outputs. |
| OUTPUTS | OUT | Generic CV or GATE outputs can be routed to OUTPUT jacks. |
| INPUTS | CV IN | CV inputs can come from INPUT jacks. |
| INPUTS | GATE IN | GATE inputs can come from INPUT jacks. |
| POTS | CV IN | CV inputs can come from potentiometers. |
| POTS | OUT | Additional CV inputs can come via the “OUT” links when used with potentiometers. |
Note that there is also an additional VCC/GND connector (shown in orange) which can be used for any panel-mounted additional IO if required.
Jack Intra-connections
The connection points for the jacks include two pins. One is for the main signal (the tip of the jack) and one is for the switched part of the connector.
These are labelled “4-3-2-1- OUT” and “IN 1-2-3-4-” respectively (although the “OUT” label is at the edge of the board, not right next to the connector), where the number corresponds to the main signal and the “-” corresponds to its equivalent switched connection. In each case, the switched connection is the one towards the bottom of the PCB for each pair.
Important Errata: The “IN 1-2-3-4-” is actually the wrong way round – it should say “IN 4-3-2-1-“.
In most cases, the switched connector can probably be ignored. In some cases it might be useful to have INPUT jack switched points connected to GND.
It might also be possible to implement a switched Mono/Stereo audio output using two inter-connected jacks. This is left as a postulate for now, to be explored perhaps in a future project.
Front Panel Measurements
The following indicates the positions and key dimensions (all in mm) of the pots and jacks compared to my generic (blank) panel.

Typically the pots will require M7 (7.4mm) holes and the “Thonkiconn” style jacks will require M6 (6.4mm).
The pre-existing panel mounting holes are 6.4 x 3.2 mm and designed to take M3 screws.
Note that some of the holes will overlap with the GND rail, which won’t matter, and the VCC rail, which could matter quite a lot if it was connected. However as the pots and jacks are all connected via the tracks on the PCB the GND/VCC rails are not actually required when used with the Pots and Jacks PCB.
It wouldn’t hurt to connect the GND rail to GND though.
Closing Thoughts
There is a lot of flexibility built into these (now) three boards, so hopefully that should allow me to get on and implement a range of modules.
I did wonder about producing a generic panel too, and might still do so – one containing four pots and two of each IN and OUT jacks might be quite versatile. I’m still thinking about it.
At the very least, it would be useful to have blank panels with the above pattern in the rear silkscreen to make drilling of holes a lot easier.
Kevin