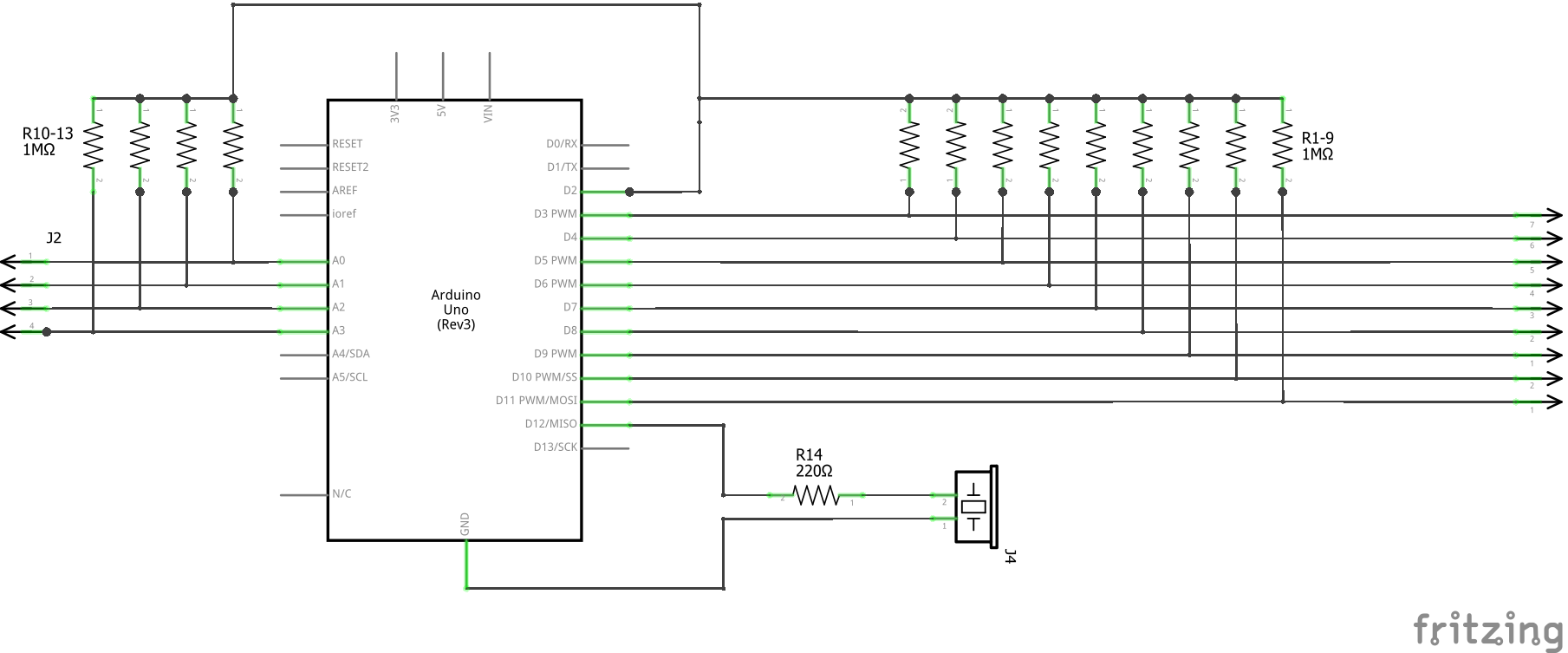
ArduinoTouchPiano_schem Kevin June 7, 2020 Published by Kevin Just another soul meandering my way around the Internet ... View all posts by Kevin Published June 7, 2020